Руководства на все автомобили



1. Введение
2. Данные по идентификации автомобиля
3. Двигатели
4. Системы автомобиля
5. Меры предосторожности
5.0 Меры предосторожности
5.1 Порядок разгерметизации топливной системы
5.2 Механический топливный насос
5.3 Электрический топливный насос
5.4 Снятие и установка насоса, смонтированного в топливном баке
5.5 Регулировка карбюратора
5.6 Снятие и установка карбюратора
5.7. Системы впрыска топлива
5.8. Система питания дизелей
6. Механическая КПП
7. Передняя подвеска
8. Регулировка барабанных тормозов
9. Двери
10. Система подогрева и кондиционирования воздуха
11. Основные неисправности сцепления
12. Обозначения и сокращения


Ссылки на другие сайты
 

Автомобиль Isuzu Trooper (Исузу Трупер)



Все автомобили  »  Isuzu Trooper (Исузу Трупер) .

5.5 Регулировка карбюратора

5.6. Регулировка карбюратора

ОБЩИЕ СВЕДЕНИЯ

Регулировка повышенных оборотов холостого хода

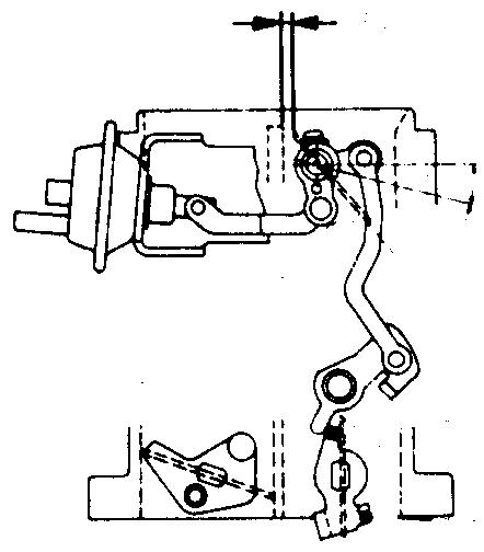
Повышенные обороты холостого хода устанавливаются при открытии дроссельной заслонки на определенный угол через механическую тягу. Угол открывания дроссельной заслонки первичной камеры при нахождении кулачка регулятора быстрого холостого хода в положении 1 должен быть 16° С , вторичной – 18° С .

Регулировка дроссельной заслонки первичной камеры

1 – воздушная заслонка

2 – тяга воздушной заслонки

3 – дроссельная заслонка первичной камеры

4 – измеряемый зазор

5 – дроссельная заслонка вторичной камеры

6 – кулачок повышенных оборотов холостого хода

Дроссельная заслонка первичной камеры открывается винтом регулировки повышенных оборотов холостого хода при полном закрытии воздушной заслонки. Угол открытия дроссельной заслонки первичной камеры проверяется следующим образом.

ПОРЯДОК ВЫПОЛНЕНИЯ
1. Закройте воздушную заслонку до отказа и проверьте зазор между краем дроссельной заслонки в средней части и стенкой камеры. Этот зазор должен быть в пределах 1,3–1,5 мм.
2. Вращая винт, отрегулируйте указанный зазор.
Предупреждение

Перед проверкой зазора полностью вверните винт ограничения хода дроссельной заслонки.

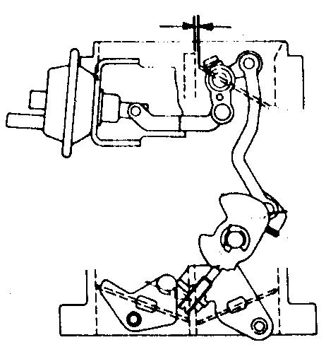
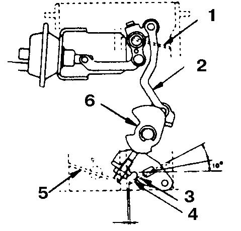
Регулировка рычага переключения на пониженную передачу (рычага kick-down-режима)

1 – дроссельная заслонка первичной камеры (полностью закрыта)

2 – винт

3 – контргайка

4 – kick-down-рычаг

5 – пластина рычага возврата

6 – ролик

ПОРЯДОК ВЫПОЛНЕНИЯ
1. Полностью закройте дроссельную заслонку первичной камеры, для чего отверните регулировочный винт.
2. Отпустите контргайку рычага переключения в kick-down-режим и вращайте винт до упора в пластину рычага возврата.
3. Затяните контргайку.

Регулировка воздушной заслонки на автомобилях Amigo/ MU/ Jazz 1988-1995 гг.


ПОРЯДОК ВЫПОЛНЕНИЯ
1. Выставьте регулировочный винт повышенных оборотов холостого хода напротив 2-го положения кулачка.
2. Проверьте зазор между краем воздушной заслонки и стенкой камеры.
3. Зазор должен быть в пределах 0,8–1,3 мм. В протинм случае надо подогнуть окончание рычага до получения нужного зазора.

Регулировка привода ограничения оборотов при полном открытии дроссельной заслонки на автомобилях Amigo/ MU/ Jazz 1988-1995 гг.


ПОРЯДОК ВЫПОЛНЕНИЯ
1. Полностью откройте дроссельную заслонку первичной камеры.
2. Проверьте зазор между краем воздушной заслонки и стенкой камеры.
3. Зазор должен быть в пределах 2,5–3,3 мм. В противном случае подогните окончание рычага до получения нужного зазора.

Регулировка дроссельных заслонок первичной и вторичной камер на автомобилях Amigo/ MU/ Jazz 1988-1995 гг.

ПОРЯДОК ВЫПОЛНЕНИЯ
1. Медленно откройте дроссельную заслонку первичной камеры до упора окончания kick-down-рычага в пластину рычага возврата.
2. Проверьте зазор между краем воздушной заслонки и стенкой камеры.
3. Зазор должен быть в пределах 7,0–8,5 мм. В противном случае подогните окончание kick-down-рычага до получения нужного зазора.

Сайт создан в системе uCoz